Schreiben Sie uns eine E-Mail
Produkte
TAC Pneumatisches Kipphebelventil
  • TAC Pneumatisches KipphebelventilTAC Pneumatisches Kipphebelventil

TAC Pneumatisches Kipphebelventil

Als professioneller Hersteller möchte OLK Ihnen das pneumatische Kipphebelventil TAC anbieten. Und OLK bietet Ihnen den besten Kundendienst und eine pünktliche Lieferung.

Das pneumatische TAC-Kippventil (auch als Schaltventil bekannt) ist eine Präzisionsschaltkomponente, die speziell für pneumatische Systeme und die Flüssigkeitssteuerung entwickelt wurde. Mit seiner einzigartigen Kipphebel-Steuerungsstruktur ermöglicht es ein schnelles Umschalten und eine präzise Steuerung der Flüssigkeitswege.

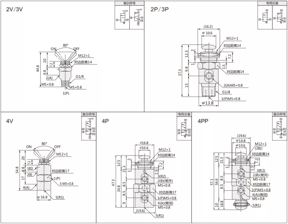
Bei den Kipphebelventilen der TAC-Serie kann zwischen 2-Wege-Position, 3-Wege-Position und 5-Wege-Position gewählt werden. Verschiedene Hebeltypen und zwei Gewindetypen: M5, G1/8.

Anwendungsszenarien

Industrielle Automatisierungsgeräte, mechanische Bearbeitung, Baustoffverarbeitung, Energie und Bergbau, Lebensmittel- und Getränkeindustrie, medizinische Geräte usw.

Produktmerkmale

Es ist klein, benötigt wenig Installationsraum und lässt sich intuitiv manuell bedienen, sodass es für Szenarien geeignet ist, die häufiges Umschalten erfordern.

Symbol und Umriss des TAC-Kippventils

Bestellcode

TAC

2

__

2

P

 

 

 

 

 

Kipphebelventil der TAC-Serie

 

 

2:2Position 2 Wege (M5)

P:Push-Pull-Tastentyp

 

 

 

3:2 Position 3-Wege (M5)

V: Handhebeltyp

 

 

 

4:2-Power 5-Wege (M5)

PP: Doppelter Push-Pull-Knopf

 

 

 

31:2 Position 3-Wege (G1/8)

 

 

 

 

41:2 Stromversorgung 5-Wege (G1/8)

 

 

Modell

Portgröße

 

Nummer
der Position

Wirksam  
Querschnittsfläche

Druckbereich

Arbeitsflüssigkeit

Ambiente
Temperatur

 

TAC-2V

Einlass=Auslass=M5   

2 Positionen, 2 Wege

1,9 mm²

0,05 ~ 0,9PPA

Luft

0~60

TAC-2P

Einlass=Auslass=M5   

2 Positionen, 2 Wege

1,9 mm²

Tac-3V

Einlass=Auslass=M5   

2 Positionen, 3 Wege

1,9 mm²

Tac-3p

Einlass=Auslass=M5   

2 Positionen, 3 Wege

1,9 mm²

Tac-4V

Einlass=Auslass=M5   

2 Positionen, 5 Wege

1,9 mm²

TAC-4P

Einlass=Auslass=M5   

2 Positionen, 5 Wege

1,9 mm²

4PP

G1/8

 

2 Positionen, 5 Wege

4,5 mm²

TAC2-31V

Einlass=Auslass=Auslass=G1/8   

2 Positionen, 3 Wege

4,5 mm²

TAC2-31P

Einlass=Auslass=Auslass=G1/8   

2 Positionen, 3 Wege

4,5 mm²

TAC2-41V

Einlass=Auslass=G1/8   Auslass=M5

2 Positionen, 5 Wege

4,5 mm²

TAC2-41P

Einlass=Auslass=G1/8   Auslass=M5

2 Positionen, 5 Wege

4,5 mm²

TAC2-41PP

Einlass=Auslass=G1/8   Auslass=M5

2 Positionen, 5 Wege

4,5 mm²

FAQs:

Was ist der Unterschied zwischen Kipphebelventil und mechanischem Ventil?

Es kann zwischen Kipphebelventil und mechanischem Ventil nach Steuerungstyp unterschieden werden: Das Kipphebelventil ist vom Typ mit Pin-Hebel-Halterung, das mechanische Ventil ist vom Typ mit Druck-Zug-Knopf oder vom Typ mit Rolle

 

Was ist der Unterschied zwischen Kipphebelventilen und anderen Ventilen?

Präzise Steuerung: Kipphebelventile erreichen eine feine Durchflussregulierung durch einen konischen Ventilkern, der für eine präzise Steuerung in Rohrleitungen mit kleinem Durchmesser geeignet ist, während Kugelhähne eher für schnelle Öffnungs- und Schließvorgänge geeignet sind.

Hot-Tags: TAC Pneumatisches Kipphebelventil, China, Hersteller, Lieferant, Fabrik
Anfrage absenden
Kontaktinformation
Willkommen auf unserer Webseite! Für Anfragen zu unseren Produkten oder unserer Preisliste hinterlassen Sie uns bitte Ihre E-Mail und wir werden uns innerhalb von 24 Stunden bei Ihnen melden.
Email
cici@olkptc.com
Handy, Mobiltelefon
+86-13736765213
Adresse
Zhengtai Road, Industriegebiet Xinguang, Liushi, Yueqing, Wenzhou, Zhejiang, China.
X
Wir verwenden Cookies, um Ihnen ein besseres Surferlebnis zu bieten, den Website-Verkehr zu analysieren und Inhalte zu personalisieren. Durch die Nutzung dieser Website stimmen Sie der Verwendung von Cookies zu. Datenschutzrichtlinie
Ablehnen Akzeptieren